Datorita faptului ca firmele de curierat rapid nu mai despagubesc produsele de tip ulei, unsoare, antigel, lichid de frana si Ad Blue (sau orice alt produs lichid sau semifluid) deteriorate in timpul transportului, va informam ca marfurile ambalate la cantitati mai mici de 18KG/20L pot fi livrate catre clienti doar daca acestia si-au dat acordul cu privire la asumarea in totalitate a raspunderii pentru eventualele deteriorari aparute la transport. UNITED PARTS SRL nu va da curs reclamatiilor pe aceasta tema. Exceptie de la aceasta regula o face marfa paletata (cantitate minima 200L/KG).
Filtre / Filtru aer
| Categorie | Filtre / Filtru aer |
| Producator | UNIFLUX FILTERS |
| Cod produs | |
| Cod UP | UP-KXA11 |
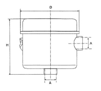
| Denumire | KXA11 - CARCASA FILTRU AER |
| D | 270 |
| H | 230 |
| Caracteristici | Prindere filet G 3"
Element filtrant : XA1783 |
| In stoc: | |
Disponibilitate si pret
Pentru a putea vizualiza disponibilitatea in stoc a produsului si pretul acestuia, va rugam sa va autentificati in contul de client United Parts.
Nu aveti cont?
Pentru a putea comanda produse din catalogul nostru trebuie sa aveti un cont de client.
Trimiteti cerere cont